首页 >> 新闻资讯 >> 12.1寸16:10的触摸显示屏产品
今天,遇到一位客户要找一款16:10的12.1寸的触摸显示屏标准品现货,说他找了很多家都没有找到合适的产品。
今天就给大家介绍一下咱们家12.1寸16:10的产品。
先看液晶显示屏,LCD显示屏这一块咱们可以选择如:
1、 群创(Innolux)的12.1寸宽温工业显示屏G121ICE-L01,这款液晶显示屏亮度为600cd/m2,对比度为1000:1,图像呈现清晰,可在-30℃到+80℃的工作环境中使用。
2、 友达(AUO)12.1寸的液晶显示屏可以选择G121EA系列的,G121EA系列的产品除了有常规宽温的G121EAN01.1和G121EAN01.4,如果需要在强光环境中使用,可以选择G121EAN01.2这款,这款液晶显示屏除了常规户外显示屏的宽温特点,它的亮度达到1000cd/m2,使用寿命更是达到70000H。而相比G121EAN01.2这款液晶显示屏,友达还有一款更厉害的G121EAN01.3,亮度高达1500 cd/m2。
3、 京东方(BOE)则是EV121WXM系统列的,EV121WXM-N12和EV121WXM-N10都是非常不错的选择。
触摸屏则可以根据具体需求选择电阻式触摸屏和电容式触摸屏,如果不知道怎么选可以咨询咱们的客服。霖博光电科技有限公司10年行业经验,可根据客户应用场景和具体需求推荐方案。
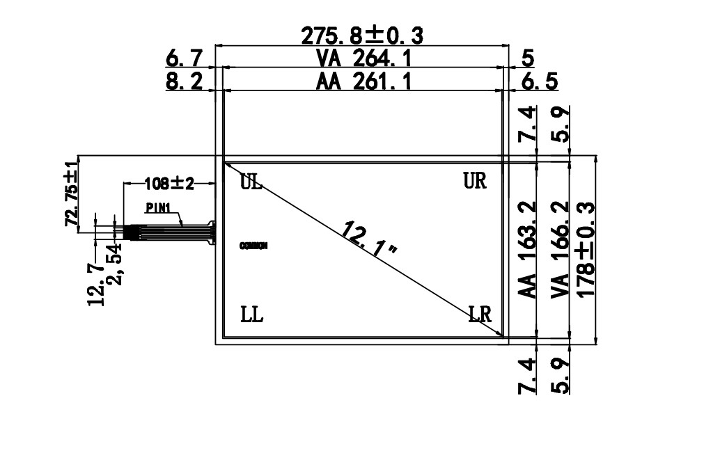
电阻屏咱们有12.1寸的五线电阻屏,附上图纸供大家查看:

12.1寸16:10的电容触摸屏也有合适的可以与以上液晶显示屏贴合:

上一篇: 液晶显示屏与触摸屏
下一篇: LCD液晶显示屏的选择
Copyright © 东莞市霖博光电科技有限公司 版权所有 粤ICP备2022101822号-1
粤公网安备 44190002006665号